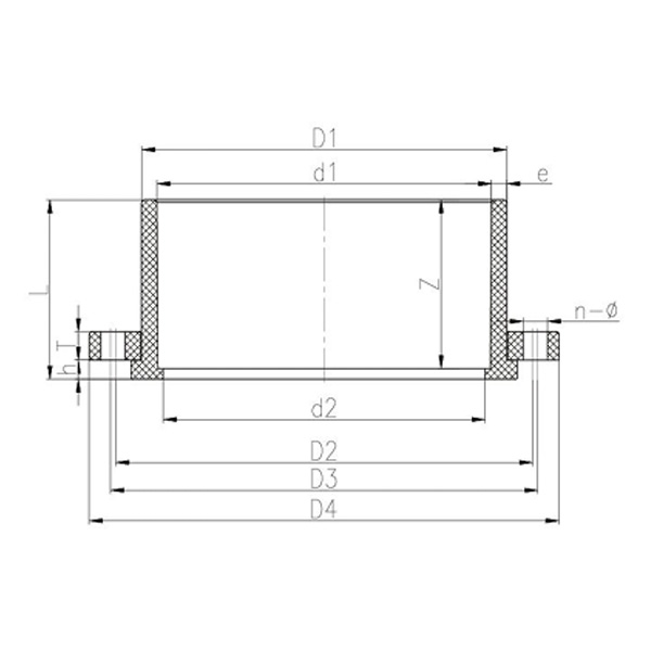
| أبعاد التوصيل الرئيسية لشفة الحجر CPVC |
| الاسم المميز | د1 | د | د | ت | ز | ن-Φe |
| 15 | 65 | 95 | 20 | 12 | 18 | 4-Φ14 |
| 20 | 75 | 105 | 25 | 12 | 20 | 4-Φ14 |
| 25 | 85 | 115 | 32 | 16 | 22 | 4-Φ14 |
| 32 | 100 | 140 | 40 | 20 | 27 | 4-Φ18 |
| 40 | 110 | 150 | 50 | 20 | 31 | 4-Φ18 |
| 50 | 125 | 165 | 63 | 25 | 38 | 4-Φ18 |
| 65 | 145 | 185 | 75 | 25 | 44 | 4-Φ18 |
| 80 | 160 | 200 | 90 | 26 | 51 | 8-Φ18 |
| 100 | 180 | 220 | 110 | 28 | 61 | 8-Φ18 |
| 125 | 210 | 250 | 140 | 30 | 76 | 8-Φ18 |
| 150 | 240 | 285 | 160 | 32 | 86 | 8-Φ22 |
| 200 | 295 | 340 | 225 | 35 | 119 | 8-Φ22 |
| 250 | 350 | 406 | 280 | 43 | 146 | 12-Φ22 |
| 300 | 400 | 475 | 315 | 43 | 164 | 12-Φ22 |
| 350 | 460 | 535 | 355 | 43 | 165 | 16-Φ22 |
| 400 | 515 | 565 | 400 | 43 | 200 | 16-Φ26 |
| 450 | 565 | 615 | 450 | 43 | 210 | 20-Φ26 |
| 500 | 620 | 670 | 500 | 43 | 256 | 20-Φ26 |
| 600 | 720 | 780 | 630 | 43 | 321 | 20-Φ30 |

English
Español
عربى
简体中文




















